第二節 細胞的超威結構及其基本病理過程
Virchow在19世紀中期所奠定的細胞病理學說,通過近代對細胞及其病變的超威結構以及結構與功能相結合的研究,已經獲得了新的更廣更深的基礎,擴大和加深了對疾病的理解。
細胞是一個由細胞膜封閉的基本生命單元,內含一系列明確無誤的互相分隔的反應腔室,這就是由細胞膜為界限的各種細胞器,是細胞代謝和細胞活力的形態支柱。細胞內的這種嚴格分隔保證各種細胞器分別進行著無數的生化反應,行使各自的獨特功能,維持細胞和機體的生命活動。細胞器的改變是各種病變的基本組成部分。
一、細胞核細胞核(nucleus)是遺傳信息的載體,細胞的調節中心,其形態隨細胞所處的周期階段而異,通常以間期核為準。
細胞核外被核膜。核膜由內外二層各厚約3nm的單位膜構成,中間為2~5nm寬的間隙(核周隙);核膜上有直徑約50nm的微孔,作為核漿與胞漿間交通的孔道,其數目因細胞類型和功能而異,多者可占全核表面積的25%;在肝細胞核據估算約有2000個核孔。
核漿主由染色質構成,其主要成分為脫氧核糖核酸(DNA),并以與蛋白質相結合的形式存在,后者由組蛋白與非組蛋白組成。染色質的NDA現在已可用多種方法加以鑒定和定量測定。
核內較粗大濃縮的、堿性染料深染的團塊狀染色質為異染色質,呈細顆粒狀彌散分布的、用普通染色法幾乎不著色的染色質則為常染色質。一部分異染色質也可以上述兩種狀態存在。從生化角度看,異染色質不具遺傳活性,相反,常染色質則大部分具遺傳活性。
間期核的染色質模式還反映細胞的功能狀態。一般而言,大而淡染的核(濃縮染色質少)提示細胞活性(如蛋白質和酶的合成)較高;小而深染的核(濃縮染色質較多)則提示細胞活性有限或降低。
(一)細胞損傷時核的改變
1、核大小的改變 核的大小通常反映著核的功能活性狀態,功能旺盛時核增大,核漿淡染,核仁也相應增大和(或)增多。如果這種狀態持續較久,則可出現多倍體核或形成多核巨細胞。多倍體核在正常情況下亦可見于某些功能旺盛的細胞,如肝細胞中可見約20%為多倍體核。在病理狀態下,如晚期肝炎及實驗性肝癌前期等均可見多倍體的肝細胞明顯增多。
核的增大除見于功能旺盛外,也可見于細胞受損時,最常見的情況為細胞水腫。這主要是細胞量匱乏或毒性損傷所致,是核膜鈉泵衰竭導致水和電解質運輸障礙的結果。這種核腫大又稱為變性性核腫大。
相反,當細胞功能下降或細胞受損時,核的體積則變小,染色質變致密,如見于器官萎縮時。與此同時核仁也縮小。
2.核形的改變 光學顯微鏡下,各種細胞大多具有各自形狀獨特的核,可為圓形、橢圓形、梭形、桿形、腎形、印戒形、空洞形以及奇形怪狀的不規則形(圖1-1)等。在電鏡下由于切片極薄,切面可以多種多樣,但均非核的全貌。核的多形性和深染特別多見于惡生腫瘤細胞,稱為核的異型性(atypia)。
3.核結構的改變 細胞在衰亡及損傷過程中的重要表征之一是核的改變,主要表現為核膜和染色質的改變。
核濃縮(karyopyknosis):染色質在核漿內聚集成致密濃染的大小不等的團塊狀,繼而整個細胞核收縮變小,最后僅留下一致密的團塊,是為核濃縮。這種濃縮的核最后還可再崩解為若干碎片(繼發性核碎裂)而逐漸消失。
核碎裂(karyorrhexis):染色質逐漸邊集于核膜內層,形成較大的高電子密度的染色質團塊(圖1-2)。核膜起初尚保持完整,以后乃在多處發生斷裂,核逐漸變小,最后裂解為若干致密濃染的碎片。
核溶解(karyolysis):變致密的結成塊狀的染色質最后完全溶解消失。即核溶解。核溶解變可不經過核濃縮或核碎裂而一開始即獨立進行。在這種情況下,受損的核很早就消失。
上述染色質邊集(即光學顯微鏡下所謂的核膜濃染)、核濃縮、核碎裂、核溶解等核的結構改變為核和細胞不可復性損傷的標志,提示活體內細胞死亡(壞死)。
4.核內包含物(intranuclear inclusions) 在某些細胞損傷時可見核內出現各種不同的包含物,可為胞漿成分(線粒體、內質網斷片、溶酶體、糖原顆粒、脂滴等),亦可為非細胞本身的異物,但最常見的還是前者。這種胞漿性包含物可在兩種情況下出現:①胞漿成分隔著核膜向核內膨突,以致在一定的切面上看來,似乎胞漿成分已進入核內,但實際上大多仍可見其周圍有核膜包繞,其中的胞漿成分常呈變性性改變(如髓鞘樣結構,膜碎裂等)。這種包含物稱為胞漿性假包含物(圖1-3);②在有絲分裂末期,某些胞漿結構被封入形成中的子細胞核內,以后出現于子細胞核中,稱為真性胞漿性包含物。

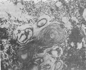
圖1-1 惡性腫瘤細胞的奇異形核
圖中央為一巨大的瘤細胞核,核膜曲折凹陷,使核呈奇異形(纖維肉瘤的電鏡照片)
■[此處缺少一些內容]■
5.核仁的改變 核仁(nucleolus)為核蛋白體RNA轉錄和轉化的所在。除含蛋白的均質性基質外,電鏡下核仁主由線團狀或網狀電子致密的核仁絲(nucleolonema)和網孔中無結構的低電子密度的無定形部(pars amorpha)組成。核仁無界膜,直接患浮于核漿內。
形態上和生物上核仁由3種不同的成分構成:①原纖維狀成分,內含蛋白質及與其相結合的45S-rRNA;②細顆粒狀成分,主要由12S-rRNA構成,為核仁的嗜堿性成分;③細絲狀成分,僅由來自胞漿的蛋白質構成,穿插于整個核仁內。3種核仁成分的空間排列狀態可反映細胞的蛋白合成活性,例如:
殼狀核仁:原纖維狀成分集中位于核仁中央,細顆狀成分呈殼狀包繞于外層。這種細胞的合成活性甚低。
海綿狀核仁:這種核仁的原纖維狀與細顆狀成分呈海綿狀(或線團狀)排列。這種細胞的合成活性升高。大多數所謂的“工作核”具有這種核仁。
高顆粒性核仁:由海綿狀核仁轉化而成,原纖維狀成分幾乎消失,核仁主要由顆粒狀成分構成,故組織學上呈強嗜堿性,細胞的合成活性旺盛。這種核仁常見于炎癥和腫瘤細胞。
低顆粒性核仁,與上述高顆粒性核仁相反,這種核仁的細顆粒狀成分銳減,故電鏡下原纖維狀成分顯得突出,電子密度較低。這種核仁常見于再生時,因此時細顆粒成分(rRNA)過多地被胞漿所利用。
分離性核仁:超微結構上3種核仁成分清楚地互相分離,原纖維狀和細顆粒狀成分減少。這種核仁變小,無活性,常見于核仁轉錄過程被抗生素、細胞抑制劑、缺氧和蠅菌素中毒等所完全阻斷時。
由此可見,核仁的大小和(或)數目的多少常反映細胞的功能活性狀態:大和(或)多的核仁是細胞功能活性高的表現,反之則細胞功能活性低。
二、細 胞 膜細胞膜是包于細胞表面、將細胞與周圍環境隔開的彈性薄膜,厚約8~10nm,由脂質和蛋白質構成,故為脂蛋白膜,對于細胞的生命活動和功能具有十分重要的意義。
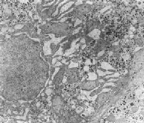
細胞膜在許多特定場合可向外形成大量的纖細突起(微絨毛、纖毛),或向內形成各種形式的內褶(圖1-4),

圖1-4 腎近曲小管上皮細胞之基底褶及其中的線粒體
以利于其功能活動。相鄰細胞的細胞膜之間還可形成閉鎖小帶、附著小帶、橋粒和縫隙連接等各種特化結構,以保持細胞間的聯系。此外,新近還發現,在相領細胞膜上有“粘附分子(如adhesion molecule,cadherin)”,對細胞正常結構和聯系以及細胞極性的維持和細胞的分化等,均具有重要作用。
細胞膜除作為細胞的機械性和化學性屏障外,還具有一系列重要的功能諸如細胞內外的物質交換、細胞運動、細胞識別以及細胞的生長調控、免疫決定和各種表面受體形成等。
細胞的物質交換:細胞內外的物質交換主要以兩種方式進行,一為滲透,一為出入胞過程。滲透乃指低分子物質(主要為水和電解質)通過細胞膜進出細胞,又可分兩種情況:一種是按該物質在細胞內外環境中的濃度差,由濃高的一側彌散底到低的一側(被動運輸);另一種則逆濃度差進行,即由濃度低的一側向濃度高的一側輸送(主動運輸),其經典的例子即Na+和K+的運輸(在細胞內Na+和K+的比例為1:20,而在細胞外隙則為30:1),即依靠所謂“鈉泵”的作用將Na+移向細胞外隙,而使K+移向細胞內。這種主動運輸是一個耗能的過程,并由Na+和K+激活細胞膜上的ATP酶分解ATP而提供所需的能量。因此,如ATP酶受到某些毒物的抑制,則這種主動運輸過程也同樣受到阻抑。除Na+和K+外,其他一些有機物質如葡萄糖、氨基酸以及一些低分子代謝產物也是借這樣的過程運輸的。
第二種物質運輸方式為出入胞過程。較大的分子和顆粒不能借滲透過程通過細胞膜,乃借出入胞過程將細胞內物質運送到細胞外和將細胞外物質移入細胞內。前者稱為出胞(exocytosis),后者稱為入胞(endocytosis)。進入細胞的如為液態物質則稱之為胞飲或吞飲(pinocytosis),如為固體顆粒(如細菌、塵粒等異物)則稱之為吞噬(phagocytosis)。在吞飲過程中,被吞飲的物質先接觸并附著于細胞膜上,然后該處細胞膜連同該物質內凹,繼而從細胞膜上斷離下來,在胞漿內形成有膜包繞的小泡(吞飲小泡);吞噬過程與吞飲相似,稍不同的是,被吞噬物附著于細胞膜上后,細胞膜乃形成偽足樣突起,將該物質環抱,最后封閉成有膜包繞的泡狀結構,從而將該物質移入胞漿內(吞噬泡或吞噬體)。細胞自身的成分如蛋白質分子、糖原顆料、衰變的或受損而待處理的細胞器等,亦可被膜包繞而形成自噬泡(autophagic vacuoles)或自噬體(autophagosome)。胞飲泡或吞噬泡一般在胞漿內與溶酶體相結合,并被溶酶體酶所降解消化。但胞飲泡也可不經處理而穿過胞漿,最后從細胞的另一極重新移出細胞外。
細胞膜上還有特殊的識別區,結合在糖萼上,借此,細胞可相互識別,從而相互接近形成一定的細胞組合,或相互排斥而分離。同樣,通過識別區,增生中的細胞在互相接觸時就會停止分裂(接觸抑制),而癌細胞則已失去這種表面功能,故可不受限制地增生。此外,細胞膜上還有一種膜抗原可以識別“自我”和“非我”(組織相容性抗原)。這種膜抗原在器官移植中具有重要意義,因為它可致敏受體,從而引起對移植物的排斥反應。最后,細胞上還有一些特異性區域帶著特殊的化學簇,可以接受相應的化學信號,稱為膜受體或表面受體。但從形態學上不能辨認。這種膜受體具有十分重要的意義,因為已知許多物質如激素、免疫球蛋白、藥物、毒素以及感染因子等都是作為外來信號被受體接受后才轉化為細胞內效應而發揮其作用。如封閉其受體,則亦同時消除其作用。
細胞膜的病變
1.細胞膜形態結構的改變 機械力的作用或細胞強烈變形,可引起紅細胞膜的破損,如人工心瓣膜可引起細胞膜的破裂;某些脂溶性陰離子物質、溶蛋白和溶脂性酶以及毒素等也能破壞細胞膜的完整性。細胞膜結構的損傷可導致細胞內容物的外溢或水分進入細胞使細胞腫脹。
2.細胞膜通透性的改變 能量代謝不足(如缺氧時)或毒物的直接損害等所致各種不同的細胞損傷時,均可造成細胞主動運輸的障礙,從而導致細胞內Na+的潴留和K+的排出,但Na+的潴留多于K+的排出,使細胞內滲透壓升高,水分因而進入細胞,引起細胞水腫。這種單純的通透性障礙時并不見細胞膜的形態學改變,只有借細胞化學方法才可在電鏡下檢見細胞膜上某些酶(如ATP酶、鹼性磷酸酶、核苷酸酶等)活性的改變。當然,如損傷或水腫嚴重,則亦可發生繼發性形態改變如出現腫漿膨出、微絨毛變短甚至消失、細胞膜基底變平乃至細胞膜破裂等。在某些較嚴重的損傷時還可出現細胞膜的螺旋狀或同心圓層狀卷曲,形成典型的髓鞘樣結構(myelin figure)(圖1-5)

圖1-5 髓鞘樣結構
三、內質網除紅細胞外,內質網或多或少地見于所有各種細胞。內質網為由生物膜構成的互相通連的片層隙狀或小管狀系統,膜片間的隙狀空間稱為池,通常與細胞外隙和細胞漿基質之間不直接相通。這種細胞內的膜性管道系系一方面構成細胞內物質運輸的通路,另方面為細胞內各種各樣的酶反應提供廣闊的反應面積。內質網與高爾基體及核膜相連續。
(一)粗面內質網
在病理狀態下,粗面內質網(RER)可發生量和形態的改變。在蛋白質合成及分泌活性高的細胞(如漿細胞、胰腺腺泡細胞、肝細胞等)以及細胞再生和病毒感染時,粗面內質網增多。粗面肉質崗的含量高低也常反映腫瘤細胞的分化程度。相反,在萎縮的細胞(如饑餓時)以及有某種物質貯積的細胞,其粗面內質網則萎縮、減少。當細胞受損時,粗面內質網上的核蛋白體往往脫落于胞漿內,粗面內質網的蛋白合成乃下降或消失;當損傷恢復時,其蛋白合成也隨之恢復。
在由各種原因引起的細胞變性和壞死過程中,粗面內質網的池一般出現擴張,較輕的和局限性的擴張只有在電鏡下才能窺見,重度擴張時則在光學顯微鏡下可表現為空泡形成,電鏡下有時可見其中含有中等電子密度的絮狀物。在較強的擴張時,粗面內質網同時互相離散,膜上的顆粒呈不同程度的脫失。進而內質網本身可斷裂成大小不等的片段和大小泡(圖1-6)。這些改變大多見于細胞水腫時,故病變不僅見于內質網,也同時累及Golgi器、線粒體和胞漿基質,有時甚至還累及溶解體。

圖1-6肝細胞粗面內質網擴張
(二)光面內質網
光面內質網的功能多種多樣,即參與糖原的合成,又能合成磷脂、糖脂以及糖蛋白中的糖成分,此外,還在甾類化合物的合成中起重要的作用,故在合成甾類激素的細胞中特別豐富。光面內質網含有脫甲基酶、脫羧酶、脫氨酶、葡糖醛酸酶以及混合功能氧化酶等,因而光面內質網能分解甾體、能滅活藥物和毒物并使其能被排除(如肝細胞)。腸上皮細胞的光面內質網參與脂肪的運輸,心肌細胞的光面內質網(肌漿網)則參與心肌的刺激傳導。
在生理狀態下,隨著細胞功能的升降,光面內質網(SER)的數量也呈現相應改變。但亦可出現完全相反的情況,例如在某些疾病(如淤膽)時,從形態結構上看,肝細胞光面內質網顯著增生(圖1-7),但其混合功能氧化酶的活性反而下降,這實際上是細胞衰竭的表現。
肝細胞的光面內質網具有生物轉化作用(biotransformation),能對一些低分子物質如藥物、毒品、毒物等,進行轉化解毒,并將間接膽紅素轉化為直接膽紅素。
許多成癮藥物和嗜好品如巴比妥類、吸毒、嗜酒等,可導致肝細胞光面內質網的增生,長期服用口服避孕藥、安眠藥、抗糖尿病藥等也能導致同樣后果。在HBsAg陽性肝炎時,肝細胞內光面內質網明顯增生,在其管道內形成HBsAg。由于光面內質網的大量增生,這種肝細胞在光學顯微鏡下呈毛玻璃外觀,故有毛玻璃細胞之稱,并可為地衣紅(orcein)著染。
在細胞損傷時光面內質網也可出現小管裂解為小泡或擴大為大泡狀。在藥物及某些芳香族化合物(主為致癌劑)的影響下,光面內質網有時可在胞漿內形成蔥皮樣層狀結構,即“副核”,可為細胞的適應性反應(結構較松)或為變性性改變(結構致密)。

圖1-7 肝細胞光面內質網增生伴輕度擴大
四、線粒體線粒體(mitochondrion)是細胞內主要的能量形成所在,故不論在生理上或病理上都具有十分重要的意義。
線粒體為線狀、長桿狀、卵圓形或圓形小體,外被雙層界膜。外界膜平滑,內界膜則折成長短不等的嵴并附有基粒。內外界膜之間為線粒體的外室,與嵴內隙相連,內界膜內側為內室(基質室)(圖1-8)。在合成甾類激素的內分泌細胞(如腎上腺皮質細胞、卵甾濾泡細胞、睪丸的Leydig細胞等),線粒體嵴呈小管狀。內外界膜的通透性不同,外界膜的通透性高,可容許多種物質通過,而內界膜則構成明顯的通透屏障,使一些物質如蔗糖和NADH全然不能通過,而其他物質如Na+ 和Ca 2+等也只有借助于主動運輸才能通過。線粒體的基質含有電子致密的無結構顆粒(基質顆粒),與二價陽離子如Ca2+及Mg2+具有高度親和力。基質中進行著β氧化、氧化脫羧、枸櫞酸循環以及尿素循環等過程。在線粒體的外界膜內含有單胺氧化酶以及糖和脂質代謝的各種轉移酶;在內界膜上則為呼吸鏈和氧化磷酸化的酶類。
線粒體是對各種損傷最為敏感的細胞器之一。在細胞損傷時最常見的病理改變可概括為線粒體數量、大小和結構的改變:
1.數量的改變 線粒體的平均壽命約為10天。衰亡的線粒體可通過保留的線粒體直接分裂為二予以補充。在病理狀態下,線粒體的增生實際上是對慢性非特異性細胞損傷的適應性反應或細胞功能升高的表現。例如心瓣膜病時的心肌線粒體、周圍血液循環障礙伴間歇性跛行時的骨骼肌線粒體的呈增生現象。
線粒體數量減少則見于急性細胞損傷時線粒體崩解或自溶的情況下,持續約15分鐘。慢性損傷時由于線粒體逐漸增生,故一般不見線粒體減少(甚至反而增多)。此外,線粒體的減少也是細胞未成熟和(或)去分化的表現。
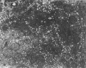
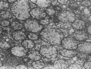
2.大小改變 細胞損傷時最常見的改變為線粒體腫大。根據線粒體的受累部位可分為基質型腫脹和嵴型腫脹二種類型,而以前者為常見。基質型腫脹時線粒體變大變圓,基質變淺、嵴變短變少甚至消失(圖1-9)。在極度腫脹時,線粒體可轉化為小空泡狀結構(圖1-10,圖1-11)。此型腫脹為細胞水腫的部分改變。光學顯微鏡下所謂的濁腫細胞中所見的細顆粒即腫大的線粒體。嵴型腫較少見,此時的腫脹局限于嵴內隙,使扁平的嵴變成燒瓶狀乃至空泡狀,而基質則更顯得致密。嵴型腫脹一般為可復性,但當膜的損傷加重時,可經過混合型而過渡為基質型。
線粒體為對損傷極為敏感的細胞器,其腫脹可由多種損傷因子引起,其中最常見的為缺氧;此外,微生物毒素、各種毒物、射線以及滲透壓改變等亦可引起。但輕度腫大有時可能為其功能升高的表現,較明顯的腫脹則恒為細胞受損的表現。但只要損傷不過重、損傷因子的作用不過長,腫脹仍可恢復。
線粒體的增大有時是器官功能負荷增加引起的適應性肥大,此時線粒體的數量也常增多,例如見于器官肥大時。反之,器官萎縮時,線粒體則縮小、變少。

圖1-8 心肌細胞線粒體

圖1-9 線粒體腫

圖1-10腎小管上皮細胞線粒體部分空泡變

圖1-11 線粒體腫脹(基質型)空泡變(心肌缺氧)
3.結構的改變 線粒體嵴是能量代謝的明顯指征,但嵴的增多未必均伴有呼吸鏈酶的增加。嵴的膜和酶平行增多反映細胞的功能負荷加重,為一種適應狀態的表現;反之,如嵴的膜和酶的增多不相平行,則是胞漿適應功能障礙的表現,此時細胞功能并不升高。
在急性細胞損傷時(大多為中毒或缺氧),線粒體的嵴被破壞;慢性亞致死性細胞損傷或營養缺乏時,線粒體的蛋白合成受障,以致線粒體幾乎不再能形成新的嵴。
根據細胞損傷的種類和性質,可在線粒體基質或嵴內形成病理性包含物。這些包含物有的呈晶形或副晶形(可能由蛋白構成),如在線粒體性肌病或進行性肌營養不良時所見(圖1-12);有的呈無定形的電子致

圖1-12 線粒體內晶形包含體(進行性肌營養不良癥)
密物,常見于細胞趨于壞死時,乃線粒體成分崩解的產物(脂質和蛋白質),被視為線粒體不可復性損傷的表現。線粒體損傷的另一種常見改變為髓鞘樣層狀結構的形成,這是線粒體膜損傷的結果。
衰亡或受損的線粒體,最終由細胞的自噬過程加以處理并最后被溶酶體酶所降解消化。
五、高爾基體高爾基體(Golgi apparatus)見于一切有核細胞,來自核膜外層,由數列彎曲成蹄鐵狀的扁平囊組成,在橫切面上表現為光面雙膜,其末端膨大成燒瓶狀。高爾基體面向核的一面稱為形成面,由許多與粗面內質網池相連的小泡構成。另一面稱為成熟面,由此斷下一些較大的泡,內含分泌物。由粗面內質網合成的蛋白質輸送到此,經加工裝配形成分泌顆粒,分泌到細胞外,例如肝細胞合成的白蛋白和脂蛋白即按此方式形成和輸出。此外,細胞本身的酶蛋白如溶酶體的水解酶類也是這樣,但卻不裝配成分泌顆粒和排出細胞外,而是以高爾基小泡的形式(初級溶酶體,前溶酶體)輸送到各種吞噬體中。高爾基體在形成含糖蛋白的分泌物中、在構成細胞膜及糖萼中,以及在形成結締組織基質中也均起著重要的作用。
高爾基體的病變
1.高爾基體肥大 高爾基體肥大見于細胞的分泌物和酶的產生旺盛時。巨噬細胞在吞噬活動旺盛時,可見形成許多吞噬體、高爾基復合物增多并從其上斷下許多高爾基小泡。
2.高爾基體萎縮 在各種細胞萎縮時可見高爾基體變小和部分消失。
3.高爾基體損傷時大多出現扁平囊的擴張以及扁平囊、大泡和小泡崩解。
六、溶酶體溶酶體(lysosome)為細胞漿內由單層脂蛋白膜包繞的內含一系列酸性水解酶的小體。形態學上只有聯合運用電鏡和細胞化學方法才能肯定地加以確認。但是在胞漿中有一系列來源不同的小體符合這一定義,故可將溶酶體區分為以下不同的類型。
1.初級溶酶體為除水解酶類外不含其他物質并尚未參與細胞內消化過程的溶酶體,例如中性粒細胞中的嗜天青顆粒、嗜酸性細胞中的顆粒以及巨噬細胞和一些其他細胞中的高爾基小泡(圖1-13)。

圖1-13 初級溶酶體
圖中央及中下方之卵圓形電子致密小體,外圍單層包膜。(圖中及下部片層狀膜性結構為粗面內質網(正常肝細胞)
2.次級溶酶體為除溶酶體的水解酶外尚含有其他外源性或內源性物質并已參與細胞內消化過程的溶酶體(圖1-14),亦即含有溶酶體酶的各種噬體,因而稱為吞噬溶酶體(phagolysosome),乃由吞噬體與初級或次級溶酶體融合而成。
溶酶體是極為重要的細胞器,能與細胞的一系列生物功能和無數的物質代謝過程。因此,其功能障礙將導致細胞的病理改變,從而在許多疾病的發病機制中具有重要意義。
溶酶體的病變
1.溶酶體的病理性 貯積過程在某些病理情況下,一些內源性或外源性物質可在溶酶體內貯積,使病酶體增大和數目增多。

圖1-14 肝細胞內次級溶酶體
貯存在溶酶體中的物質被溶酶體酶加以降解(消化)。但有時進入細胞的物質為量過多,超過了溶酶體的處理能力,于是乃在細胞內貯積,例如各種原因引起的蛋白尿時可在腎近曲小管上皮細胞中見到玻璃滴狀蛋白質的貯積(所謂玻璃樣小滴變性)。在電鏡下可見這種玻璃樣小滴乃載有蛋白質的增大的溶酶體,故實質上這往往是細胞功能增強的表現,與真正的變性有所不同。
一些在正常情況下可被消化的物質如糖原和粘多糖等,當溶酶體有先天性酶缺陷時,也能在溶酶體中堆積,如Ⅱ型糖原貯積病(Pompe)病。
2.溶酶體在細胞自溶過程中的作用 溶酶體因含有許多種水解酶,故在細胞的自溶過程中起著重要的作用。在溶酶體膜損傷及通透性升高時,水解酶逸出,引起廣泛的細胞自溶。這就是活體內細胞壞死和機體死后自溶的主要過程。在此過程中,受損細胞的大分子成分被水解酶分解為小分子物質。
比細胞的廣泛壞死或自溶更為重要的是溶酶體在細胞的局灶性壞死中所起的作用。此時在胞漿內形成自噬泡,在與溶酶體結合形成自噬溶酶體。如水解酶不能將其中的結構徹底消化溶解,則自噬溶酶體乃常轉化為細胞內的殘存小體,如某些長壽細胞中的脂褐素(圖1-15)。
3.溶酶體在細胞間質損傷中的作用 當溶酶體酶釋放到細胞間質中時,同樣發揮其酶解破壞作用。這在諸類風濕性關節炎等炎癥過程和腫瘤細胞侵入血管的過程中具有重要意義。但溶酶體酶逸出溶酶體進入細胞間隙的機制尚不十分清楚,可能由于溶酶體膜和細胞的失穩或通過出胞過程而實現的。因此,臨床上可用溶酶體膜穩定劑治療有關疾病。

圖1-15 肝細胞內脂褐素顆粒殘存小體即終末溶酶體
七、過氧化過氧化(peroxisome)為胞漿中由單層界膜包繞的另一類小體,直徑為0.5~1μm,形態與細胞化學特性均不同于溶酶體。小體基質電子密度中等,中央大多含有一電子密度較大的有時呈晶狀的核芯。此小體不含水解酶而含有若干種氧化酶,還有大量呈過氧化作用的觸酶,被視為過氧體的標志酶。過氧體的功能至今尚不甚清楚,看來可能與糖原異生和分解有害于細胞的H2O2及脂質代謝有關。
過氧體的病變
在人體病理學方面關于過氧體的病變知之尚少。
1.過氧體增多 動物實驗中,在切除甲狀腺、給予皮質激素或氨基水楊酸后以及在實驗性致癌過程中,可見過氧體增多。在人體的某些病理過程如某些炎癥(病毒性肝炎、螺旋體感染)及慢性酒精中毒等時也可見到過氧體增多現象。
2.過氧體減少或缺如 在較罕見的腦肝腎綜合癥(Zellweger綜合征)時,曾見到過氧體缺如的現象,但其病理意義尚不清楚。
3.微過氧體 為一組同樣含有過氧化物酶和觸酶的小體,但遠較過氧化為小(0.15~0.25μm),不含核芯結構,與光面內質網相連。因此被認為是光面內質網的特化部分及過氧體的前身,其作用尚未查明。
八、細胞骨架細胞骨架乃胞漿中一組由纖維狀結構組成的網架,具有支撐和維持細胞形態及細胞運動的功能。迄今已知的成分有微絲、微管和中間絲3種。微絲粗約6nm,根據其生化和免疫細胞化學特性實屬肌動蛋白(actin)細絲;微管為直徑約20~26nm的長度不一的小管,管壁由13根縱列的原絲構成;中間絲的直徑在微絲和微管之間(7~11nm)故名。
細胞骨架中的中間絲化學性質各異,在不同細胞由不同的蛋白質和多肽組成:在上皮細胞為前角蛋白或細胞角蛋白(cytokeratin),在間葉性細胞為波形蛋白(vimentine),在神經細胞為神經原絲(neurofilament),在肌細胞為橋連蛋白(desmine),在神經膠質細胞為膠質纖維酸性蛋白(gilal fibrillary acidic protein,GFAP)。 由于這些不同種類不同性質的中間絲在細胞轉化為腫瘤細胞時,仍不改變其化學和抗原特異性,故可利用這種特性借助免疫細胞化學方法,對腫瘤進行分類和鑒別診斷。
關于細胞骨架在細胞損傷時的改變,所知不多,但早已知道秋水仙堿能抑制微管形成,引起有絲分裂障礙;通過對微管(可能還有微?
